大家好,
我们会一同去探秘诸多的编程实例,接下来,以此来助力你能够轻松地掌握数控车手工编程的那些技巧。
![图片[1]-众多编程实例,助你轻松搞定数控车手工编程!-大连富泓机械有限公司](/wp-content/uploads/2026/04/1776774100728_0.png)
3110(主程序程序名)
N1 G92 X16 Z1(设定坐标系,确定对刀点位置)
N2,G37,G00,Z0,M03,此操作是要移动到子程序的起始点,并且让主轴进行正转。
N3 M98 P0003 L6(调用子程序,重复执行6次)
N4 G00 X16 Z1(返回到对刀点)
N5 G36(取消半径编程模式)
N6 M05(主轴停止旋转)
N7 M30(主程序执行完毕并复位)
0003(子程序名)
N1,G01指令下达,U-12参数设定,F100速度指定,刀具执行进给动作,至切削起始位置达成,且留出后续切削余量。
N2,G03,U7.385,W-4.923,R8,用于加工R8半径的圆弧段。
加工一段圆弧,弧度为R60,其半径是60,所处位置为N3 U3.215 W – 39.877 ,是R60半径的圆弧!
通过N4指令,执行G02代码,使U轴移动1.4,W轴往相反方向移动28.636,以加工出半径为40的圆弧段,要留意切线的方向。
N5 G00 U4(退离已加工表面)
N6 W73.436(返回到循环起点Z轴位置)
更改每次循环时的切削深度,N7,G01,U负4.8,F100。
N8 M99(子程序结束,返回主程序)
![图片[2]-众多编程实例,助你轻松搞定数控车手工编程!-大连富泓机械有限公司](/wp-content/uploads/2026/04/1776774100728_1.png)
3305
N1,G92,X100,Z10,此为设定坐标系之举,其目的在于确定对刀点位置。
将机床坐标系中的X轴移动到数值为16的位置,同时把Z轴移动到数值为2毫米的地方,之后启动主轴,此操作是为了让机床移动至倒角延长线的起点处。
N3,G01指令,U值为10,W值为负5,F值为300,(进行倒角操作,其角度是3乘以45度)。
N4 Z-48 (加工Φ26外圆)
N5 U34 W-10 (切削第一段锥形部分)
N6 U20 Z-73 (切削第二段锥形部分)
N7 X90 (刀具退至安全位置)
N8 G00 X100 Z10 (返回到对刀点位置)
N9 M05 (主轴停止旋转)
N10 M30 (主程序执行完毕并复位)
![图片[3]-众多编程实例,助你轻松搞定数控车手工编程!-大连富泓机械有限公司](/wp-content/uploads/2026/04/1776774100728_2.png)
![图片[4]-众多编程实例,助你轻松搞定数控车手工编程!-大连富泓机械有限公司](/wp-content/uploads/2026/04/1776774100728_3.png)
3310
N10,G92,X70,Z10,此为设定坐标系,其目的在于明确对刀点的位置。
N20,G00指令执行,U轴负向移动70距离,W轴负向移动10距离,最终目的是从预设起点移至工件前端面中心。
那个带N30字样的指令,G01这种代码,U26这个参数,C3这个参数,F100这一速度值,是用于进行3乘以45度直角倒角操作的。
N40 W-22 R3 (倒R3圆角)
数控加工代码为N50,其中U值是39,W值为负14,C值是3,用于对等腰直角边长是3那样的部分进行加工。
N60 W-34 (加工Φ65外圆)
N70 G00 U5 W80 (返回编程规划起点)
N80 M30 (主轴停转,主程序结束并复位)
![图片[5]-众多编程实例,助你轻松搞定数控车手工编程!-大连富泓机械有限公司](/wp-content/uploads/2026/04/1776774100728_4.png)
![图片[6]-众多编程实例,助你轻松搞定数控车手工编程!-大连富泓机械有限公司](/wp-content/uploads/2026/04/1776774100728_5.png)
3312
采用N1代码,运用G92指令,将X坐标设定为50,把Z坐标设定为120,以此来设定坐标系,从而明确对刀点所处的位置。
N2,M03,S300,此状态下,主轴呈现出以每分钟300转的速度加以旋转的情况。
直接移动到螺纹起始位置,那里的速度提升阶段是1.5毫米,而切削进到深度呢是0.8毫米;以快速的方式运动到横坐标编号为29.2纵坐标编号为101.5的地方。
拿N4来说,G32这个指令,Z19这个具体位置,F1.5代表着进给速度,螺纹往终点处切削,降速段范围是指1mm对应的长度,是这样一个情况。
N5 G00 X40 (X轴快速后退)
N6 Z101.5 (Z轴快速后退至螺纹起点)
N7,X轴朝着前方快速行进到达螺纹开头起点的位置,切削的深切程度是0.6毫米。
N8 G32 Z19 F1.5 (再次螺纹切削至终点)
N9 G00 X40 (X轴再次快速后退)
N10 Z101.5 (Z轴再次快速后退至螺纹起点)
N11,X28.2,也就是X轴要快速地朝着螺纹起点行进,而切削的深度是0.4mm句号。
N12 G32 Z19 F1.5 (第三次螺纹切削至终点)
N13 G00 X40 (X轴第三次快速后退)
N14 Z101.5 (Z轴第三次快速后退至螺纹起点)
N15,U – 11.96,X轴朝着螺纹起点快速行进,切削深度是0.16mm。
编号为N16,执行G32指令,沿W轴负方向移动82.5个单位,切削速度为每分钟1.5转,此操作为螺纹切削到达新的终点操作。
N17 G00 X40 (X轴快速后退)
N18 X50 Z120 (返回对刀点)
N19 M05 (主轴停止旋转)
N20 M30 (主程序结束并复位)
![图片[7]-众多编程实例,助你轻松搞定数控车手工编程!-大连富泓机械有限公司](/wp-content/uploads/2026/04/1776774100728_6.png)

N1,G92,X40,Z5,此操作是利用特定指令设定全新的坐标系,其目的在于精准确定对刀点所在的具体位置。
N2,M03,S400,主轴开启旋转,其速度为每分钟四百转。
以N3 G96的指令方式,将线速度设定成为每分钟八十米,以此启用恒线速度模式。
数控代码 N4,指令刀具以快速移动的方式抵达 X 坐标值为 0 的位置,于此过程中,主轴的转速会逐步地提升,一直到达到所规定的最大速度限制。
处于N5程序段,执行G01指令,Z轴方向为零位置,此时处于工作进给模式,刀具进而接触到工件,随之开始进行切削操作,其进给速度设定为每分钟60毫米。
按照R15的圆弧半径,进行顺时针加工,N6 G03 U24 W-24 R15。
N7,G02,X26,Z – 31,R5,进行逆时针加工操作,此操作是依据R5那般的圆弧半径来执行的。
N8 G01 Z-40 (继续加工Φ26的外圆部分)
N9 X40 Z5 (完成加工后,刀具快速移动回对刀点)
N10,G97,将恒线速度模式取消掉,主轴会以300r/min这个速度持续进行旋转。
N11 M30 (主轴停止旋转,主程序执行完毕并复位)
![图片[9]-众多编程实例,助你轻松搞定数控车手工编程!-大连富泓机械有限公司](/wp-content/uploads/2026/04/1776774100728_8.png)
![图片[10]-众多编程实例,助你轻松搞定数控车手工编程!-大连富泓机械有限公司](/wp-content/uploads/2026/04/1776774100728_9.png)
![图片[11]-众多编程实例,助你轻松搞定数控车手工编程!-大连富泓机械有限公司](/wp-content/uploads/2026/04/1776774100728_10.png)
![图片[12]-众多编程实例,助你轻松搞定数控车手工编程!-大连富泓机械有限公司](/wp-content/uploads/2026/04/1776774100728_11.png)
![图片[13]-众多编程实例,助你轻松搞定数控车手工编程!-大连富泓机械有限公司](/wp-content/uploads/2026/04/1776774100728_12.png)
N8,G00,X44(此为精加工轮廓起始步骤,刀具会以快速移动的方式抵达Φ44外圆之处)。
此时执行N9程序段,其中G01表示工艺指令,W-20代表沿Z轴负方向移动20,F80表示进给速度是每分钟80毫米,该操作是对直径为44的外圆进行精加工。
对N10进行操作,控制U-10,接着有W-10的动作,此过程是在对圆锥进行精致加工,并要同时开展X轴以及Z轴的移动。
继续对直径为34的外圆进行更精细的加工处理,在Z轴方向朝着负的方向进行移动。
N12,G03指令,U值为负14,W值为负7,R值为7,此为精加工R7圆弧,且是顺时针方向运行。
执行N13指令,以直线插补方式,朝着W方向负向移动10,此操作是针对精加工直径为20的外圆,且该操作结束后Z轴将会继续朝着负方向移动。
N14,G02指令,U负10,W负5,R5,此为对R5圆弧进行精加工,且是逆时针方向。
N15,G01指令致Z轴朝着负面朝着轴向,以负方向移动,移动至工件底部,与此同时,是对直径为Φ10的外圆进行精细加工。
N16,执行U减4,紧接着执行W减2,此代表着进行精加工倒角二乘四十五度操作,且轮廓精加工已终止。
N17,G40,X4,以此来退出已被加工的表面,进而取消刀尖圆弧半径补偿。
将刀具,快速移动,到工件,外上方,安全位置的时候,执行N18 G00 Z80 这一指令。
N19 X80 (刀具快速移动回程序起点或换刀点位置)
N20 M30 (主轴停止旋转,主程序执行完毕并复位)
![图片[14]-众多编程实例,助你轻松搞定数控车手工编程!-大连富泓机械有限公司](/wp-content/uploads/2026/04/1776774100728_13.png)
![图片[15]-众多编程实例,助你轻松搞定数控车手工编程!-大连富泓机械有限公司](/wp-content/uploads/2026/04/1776774100728_14.png)
3327
选定G55坐标系,快速移动到X数值为80,Z数值为80处,通过的指令是N1 G59 G00。
N2 M03 S400 (主轴以400r/min速度正转)
以每分钟一百毫米的进给速度,进行直线插补,目的是到达循环起点,此时对应到X轴坐标为四十六,Z轴坐标为三。
N4指令下,G71指令开启粗车循环,粗切量定为1.5毫米,退刀量为1,程序段号从P5开始,到Q13结束,X轴精切量是0.4毫米,Z轴精切量是0.1毫米。
N5 G00 X0 (快速定位至倒角延长线起点)
对N6程序段,执行G01指令,于该情境下,X轴朝着10mm处推进,Z轴朝向下方移动2mm,此操作为处于精密车削状态下2×45°倒角操作。
执行N7程序段,进行Φ10外圆的精车操作,Z轴朝着下方方向移动,直至到达-20mm位置。
N8数控指令,G02代码,U10数值,W负5数值,R5圆弧描述,此指令用于精车一段半径为5的圆弧,且是按照逆时针方向进行加工。
精车直径为二十的外圆时,N9程序段,执行G01指令,轴方向继续朝下移动十个单位,(这里的单位可能是毫米之类的具体度量单位)。
N10,G03指令,U14,W负7,R7,这是要进行精车R7圆弧操作,且是顺时针方向。
N11,G01指令,Z轴朝着下方移动,直至到达-52mm的位置,此为精车Φ34外圆的操作步骤。
N12 U10 W-10 (精车外圆锥形部分)
N13 W-20 (精车Φ44外圆,完成轮廓精加工)
N14 X50 (退出已加工表面)
N15 G00 X80 Z80 (快速返回对刀点位置)
N16 M05 (主轴停止旋转)
N17 M30 (主程序执行完毕并复位)
![图片[16]-众多编程实例,助你轻松搞定数控车手工编程!-大连富泓机械有限公司](/wp-content/uploads/2026/04/1776774100728_15.png)
![图片[17]-众多编程实例,助你轻松搞定数控车手工编程!-大连富泓机械有限公司](/wp-content/uploads/2026/04/1776774100728_16.png)
3333
设置工作坐标系,把对刀点放置到特定给定位置,执行N1 G92操作,使X坐标为100,Y坐标为80。
启动主轴,使其以每分钟四百转的速度进行正向转动,此转速为四百转每分钟。
将N3,G00,X6同时触发,Z3也触发,此操作是为了快速移动至内端面粗切循环的起点。
执行内端面粗切循环,其中 N4,G72,W1.2,R1,P5,Q15,X 的取值为减掉 0.2,Z 的取值为加上 0.5,F 的取值为 100,设定切削的相关参数。
数控编程指令中,N5代码下的G00指令,其作用是让刀具,从精加工轮廓的起点位置上,以快速移动的方式,定位到倒角延长线所处的位置。
N6,G01指令,U6,W3,F80,此为精车2×45°倒角的操作要求,其中包括设定进给速度以及切削量。
N7 W10 (精车Φ10外圆,Z轴向下移动至-10mm)
实施精车R2圆弧的操作,其行进方向为逆时针方向,具体指令是N8 G03 U4,同时还有W2 R2。
执行 N9 程序段,进行 G01 指令操作,使车床刀具移动到 X30 的位置,此操作是为了精车 Z45 处的那个端面。

精车直径为30的外圆,使其在N10程序段时,Z轴朝着下方移动,一直移到负34毫米的位置处。
N11 X46 (精车Z34处端面,移动至X46位置)
执行N12指令,G02代码,U8的移动量,W4的移动量,R4的半径值,进行精车R4圆弧操作,且是按顺时针方向。
N13,G01指令,Z数值为负二十,用于精车直径五四的外圆时向Z轴下方移动到负二十毫米处。
精车锥面,要设定切削深度,还要设定进给速度,其中N14,U20,W10也在相关工作范围内。
N15 Z3 (精车Φ74外圆,完成轮廓精加工)
N16指令下,G00方式,X轴去到100位置,Z轴去到80位置,快速返回对刀点位置,以此完成加工。
N17 M30 (主轴停转,主程序执行完毕并复位)
![图片[19]-众多编程实例,助你轻松搞定数控车手工编程!-大连富泓机械有限公司](/wp-content/uploads/2026/04/1776774100728_18.png)
![图片[20]-众多编程实例,助你轻松搞定数控车手工编程!-大连富泓机械有限公司](/wp-content/uploads/2026/04/1776774100728_19.png)
![图片[21]-众多编程实例,助你轻松搞定数控车手工编程!-大连富泓机械有限公司](/wp-content/uploads/2026/04/1776774100728_20.png)
![图片[22]-众多编程实例,助你轻松搞定数控车手工编程!-大连富泓机械有限公司](/wp-content/uploads/2026/04/1776774100728_21.png)
![图片[23]-众多编程实例,助你轻松搞定数控车手工编程!-大连富泓机械有限公司](/wp-content/uploads/2026/04/1776774100728_22.png)
![图片[24]-众多编程实例,助你轻松搞定数控车手工编程!-大连富泓机械有限公司](/wp-content/uploads/2026/04/1776774100728_23.png)
![图片[25]-众多编程实例,助你轻松搞定数控车手工编程!-大连富泓机械有限公司](/wp-content/uploads/2026/04/1776774100728_24.png)
![图片[26]-众多编程实例,助你轻松搞定数控车手工编程!-大连富泓机械有限公司](/wp-content/uploads/2026/04/1776774100728_25.png)
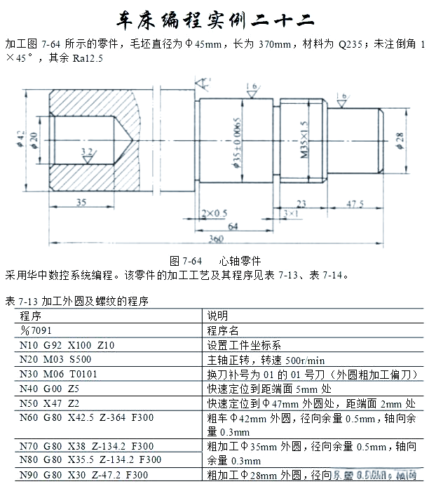
对直径为φ60mm以及φ22mm的外圆进行粗加工,留出0.5mm的加工余量。所要用到的刀具含有粗加工外圆正偏刀也就是T01,还有刀宽是2mm的切槽刀即T02。其加工步骤是这样的:先是加工φ22的端面,之后粗加工φ60mm的外圆并留下0.5mm的余量,紧接着粗加工留0.5mm余量的φ22mm的外圆,最后切断工件,要保证长度是105.5mm。相关的加工程序详细内容可以查看表格7-10。
接着,将已粗加工的φ22mm外圆予以夹紧,掉转方向对φ25mm外圆展开粗加工。所需要用到的工具包含外圆粗加工正偏刀(T01)以及外圆精加工正偏刀(T03)。其加工流程是:首先对φ25mm的端面进行加工,接着粗加工φ25的外圆并预留0.08mm的余量,最终精加工φ25mm的外圆。具体的加工程序可查看表格7-11。
之后哩,运用铜片垫夹着φ25mm的外圆以此来进行找正,接着对φ22mm的外圆予以精加工。所采用的刀具是精度外圆加工正偏刀,也就是(T03)。加工的步骤是这样的哈:第一首先是对φ22mm的外圆进行精加工,随后紧接着再对φ60mm的外圆进行精加工。与之相关的加工程序详细的情况可以去查看表格7-12。
![图片[27]-众多编程实例,助你轻松搞定数控车手工编程!-大连富泓机械有限公司](/wp-content/uploads/2026/04/1776774100728_26.png)
![图片[28]-众多编程实例,助你轻松搞定数控车手工编程!-大连富泓机械有限公司](/wp-content/uploads/2026/04/1776774100728_27.png)
![图片[29]-众多编程实例,助你轻松搞定数控车手工编程!-大连富泓机械有限公司](/wp-content/uploads/2026/04/1776774100728_28.png)
![图片[30]-众多编程实例,助你轻松搞定数控车手工编程!-大连富泓机械有限公司](/wp-content/uploads/2026/04/1776774100728_29.png)
![图片[31]-众多编程实例,助你轻松搞定数控车手工编程!-大连富泓机械有限公司](/wp-content/uploads/2026/04/1776774100728_30.png)
![图片[32]-众多编程实例,助你轻松搞定数控车手工编程!-大连富泓机械有限公司](/wp-content/uploads/2026/04/1776774100728_31.png)
对φ50mm的外圆实施装夹操作,开展找正工作。随后,先后开展粗加工φ34mm外圆的工作,进行加工φ42mm外圆工作,再进行切2×0.5槽的工作。在上述这一整个过程当中,会用到外圆加工正偏(T01)的刀具,以及刀宽为2mm的用以切槽的(T02)刀具。
先是对φ42mm的外圆开展粗加工且留下余量,接着对φ34mm的外圆进行粗加工并留余量,而后对φ42mm的外圆实施精加工,随后进行切槽处理, 最后把工件切断,相关的加工程序详细内容查看表格7-15。
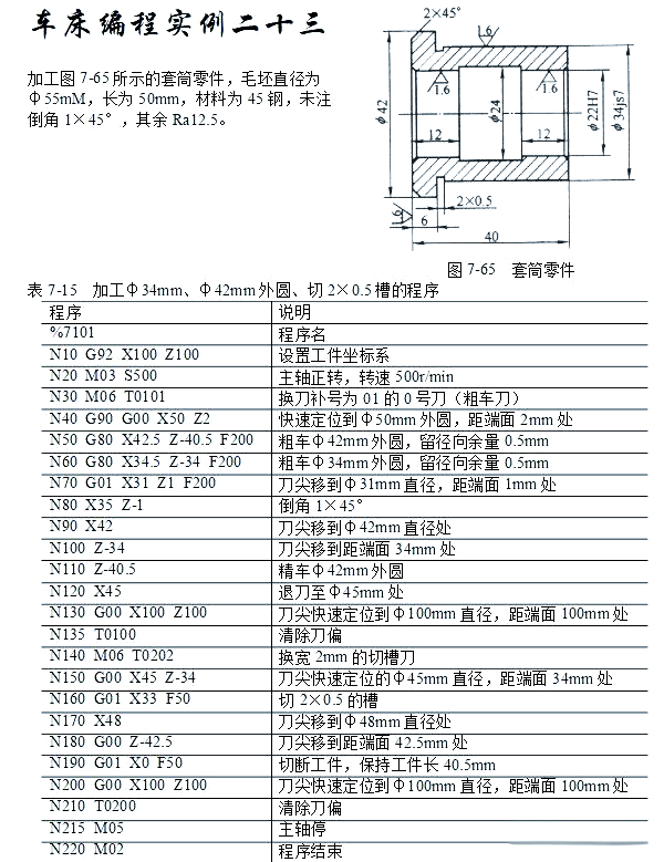
施行完上述步骤之后,运用软爪去装夹直径为φ34mm的外圆,且针对内孔开展加工。所需要用到的刀具包含45°端面刀,其编号为(T01),还有内孔车刀,其编号为(T02),以及刀宽是4mm的切槽刀,其编号为(T03)。加工的流程是这样的:首先要加工端面,接着对直径为φ22mm的内孔进行粗加工,随后再对直径为φ22mm的内孔进行精加工,最终进行切槽,切槽的尺寸是φ24×16。具体的加工程序可以查看表格7-16。
接下来,把工件套到心轴上,采用两顶尖进行装夹,接着对直径为φ34mm的外圆开展精车操作,所使用的刀具是精加工正偏刀也就是T01,加工步骤仅仅是对φ34mm的外圆明细进行精加工,相关的具体加工程序可以查看表格7-17。
![图片[33]-众多编程实例,助你轻松搞定数控车手工编程!-大连富泓机械有限公司](/wp-content/uploads/2026/04/1776774100728_32.png)
![图片[34]-众多编程实例,助你轻松搞定数控车手工编程!-大连富泓机械有限公司](/wp-content/uploads/2026/04/1776774100728_33.png)
![图片[35]-众多编程实例,助你轻松搞定数控车手工编程!-大连富泓机械有限公司](/wp-content/uploads/2026/04/1776774100728_34.png)
![图片[36]-众多编程实例,助你轻松搞定数控车手工编程!-大连富泓机械有限公司](/wp-content/uploads/2026/04/1776774100728_35.png)
![图片[37]-众多编程实例,助你轻松搞定数控车手工编程!-大连富泓机械有限公司](/wp-content/uploads/2026/04/1776774100728_36.png)
![图片[38]-众多编程实例,助你轻松搞定数控车手工编程!-大连富泓机械有限公司](/wp-content/uploads/2026/04/1776774100728_37.png)
![图片[39]-众多编程实例,助你轻松搞定数控车手工编程!-大连富泓机械有限公司](/wp-content/uploads/2026/04/1776774100728_38.png)
![图片[40]-众多编程实例,助你轻松搞定数控车手工编程!-大连富泓机械有限公司](/wp-content/uploads/2026/04/1776774100728_39.png)
2.选择合适的机床设备
依照零件图样所提出的需求,挑选经济型数控车床就能够达成加工要求,如此一来,我们选定了型数控卧式车床。
3.选择刀具
根据加工的需求,为了保证刀具跟工件在加工期间不会出现干涉的情况,我们挑选了一把尖头外圆车刀,或者是可转位机夹外圆车刀,以此完成粗加工以及精加工。
4.确定切削用量
至于那切削用量有关的具体数值,得把机床性能关联起来,进而结合相关手册,再加上实际经验,如此这般来综合判定,具体的详细内容,去参看加工程序当中。
5.确定工件坐标系、对刀点和换刀点
我们把工件右端面跟轴心线的交点O当作工件原点,基于此构建了XOZ工件坐标系,如这般呈现于图2-20当中。在开展手动对刀进程的时候,我们把工件右端面和毛坯外圆面的交点A设成了对刀点,同样是如图2-20所示的情况。紧接着,我们要用MDI方式去操控机床,并且依照以下这些具体的操作步骤来开展:
1)回参考点操作
凭借 ZERO(回参考点)这种方式,我们开展了回参考点的相关操作,进而构建起了机床坐标系。
2)试切对刀
让主轴进行正转操作,把已挑选好的车刀的刀尖贴近工件的右端面,随后按下设置编程零点的按键,这时,CRT屏幕上所显示的X、Z坐标值会清零,就是显示为X0,Z0 ,接着进行退刀,并且在工件外圆表面车一刀,保持X向尺寸不改变,同时在Z向进行退刀,当CRT上显示的Z坐标值为零时,再次按下设置编程零点的按键,CRT屏幕上将会再次显示X、Z坐标值清零,也就是X0,Z0。如此一来,系统达成了编程零点的设定,即将称作对刀点A设为编程零点,进而构建起XAZ′工件坐标系。最终,使主轴的旋转停止下来,并且测量工件的外圆直径D,要是测得D为φ55㎜。
3)建立工件坐标系
实现对刀操作完成之后,我们明确了刀尖部分(车刀的对应刀位点)此刻所在位置就是编程零点所在之处,此乃对刀点A那一处。鉴于编程具备便捷性这一因素,我们挑选了把工件右端面跟轴心线二者的交点O确定为工件原点,并且依据这个去搭建XOZ工件坐标系。经由执行程序段G92 X27.5 Z0,数控系统马上会更新CRT屏幕之上的显示情况,展现出当前刀尖于XOZ工件坐标系里的位置,也就是X坐标数值是27.5,Y坐标数值是0。这表明,数控系统已然将原先的XAZ′工件坐标系,替换成了运用新建立的XOZ工件坐标系。
换刀点的设置,是设置在XOZ工件坐标系下,其处于X15的位置,还处于Z150的位置。
6.编写程序
我们按照车床的指令代码以及程序段格式,把加工零件的一整个工艺流程费心编写成了一份程序清单,针对该工件,它的加工程序如下,要注意的是,此系统在X方向上使用的是半径编程方式哦:
![图片[41]-众多编程实例,助你轻松搞定数控车手工编程!-大连富泓机械有限公司](/wp-content/uploads/2026/04/1776774100728_40.png)
![图片[42]-众多编程实例,助你轻松搞定数控车手工编程!-大连富泓机械有限公司](/wp-content/uploads/2026/04/1776774100728_41.png)
![图片[43]-众多编程实例,助你轻松搞定数控车手工编程!-大连富泓机械有限公司](/wp-content/uploads/2026/04/1776774100728_42.png)
![图片[44]-众多编程实例,助你轻松搞定数控车手工编程!-大连富泓机械有限公司](/wp-content/uploads/2026/04/1776774100728_43.png)
![图片[45]-众多编程实例,助你轻松搞定数控车手工编程!-大连富泓机械有限公司](/wp-content/uploads/2026/04/1776774100728_44.png)
![图片[46]-众多编程实例,助你轻松搞定数控车手工编程!-大连富泓机械有限公司](/wp-content/uploads/2026/04/1776774100728_45.png)
截至此刻,我们已然对大家给予了30个经过万分精心挑选出来的实例,祈愿这些实例能够给大家带来某些助益。















暂无评论内容